Запасные части ЧТЗ Запасные части ЧТЗ
Астрахань
Например:
Актобе
Алдан
или
Выбрать автоматически
Актобе
Алдан
Алматы
Алчевск
Архангельск
Астана
Астрахань
Атырау
Баку
Балашиха
Барнаул
Белгород
Бердянск
Бишкек
Владивосток
Владикавказ
Воркута
Воронеж
Горловка
Грозный
Донецк
Екатеринбург
Иваново
Ижевск
Иркутск
Казань
Калининград
Каменск-Уральский
Караганда
Каховка
Кемерово
Киров
Комсомольск-на-Амуре
Костанай
Краснодар
Красноярск
Красный луч
Ленск
Луганск
Магадан
Магнитогорск
Макеевка
Махачкала
Мелитополь
Минск
Мирный (Якутия)
Москва
Мурманск
Нерюнгри
Нижневартовск
Нижний Новгород
Нижний Тагил
Новая каховка
Новокузнецк
Новосибирск
Новый Уренгой
Норильск
Ноябрьск
Нур-Султан
Омск
Оренбург
Ош
Павлодар
Пермь
Петрозаводск
Петропавловск
Петропавловск-Камчатский
Псков
Ростов-на-Дону
Салехард
Самара
Санкт-Петербург
Саратов
Севастополь
Семей
Симферополь
Сочи
Ставрополь
Сургут
Сыктывкар
Тараз
Ташкент
Токмак
Томск
Тында
Тюмень
Ульяновск
Усинск
Усть-Каменогорск
Уфа
Хабаровск
Ханты-Мансийск
Херсон
Челябинск
Чита
Шымкент
Экибастуз
Энергодар
Южно-Сахалинск
Якутск
Ваш город
Астрахань
Войти
Запасные части к тракторам на одном сайте
+7 (932) 303-00-10
+7 (932) 303-00-10
г. Астрахань, ул. Ботвина, д. 4А
Пн-Пт: 9:30-18:30 Cб-Вс: Выходной
Отправить заявку


Работомер на Т-130


/
с НДС 20%
Описание
Работомер 16-72-1СП на Т-130
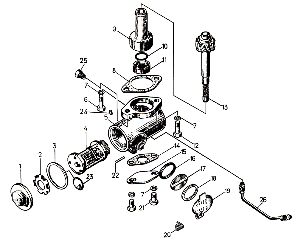
# Номер запчасти Наименование детали Кол-во в сборке
16-72-1СП Работомер 1
16-72-103СП Корпус 1
16-72-104СП Подшипник 1
16-72-106СП Крышка 1
1 16-72-6 Крышка 1
2 71137 Шайба 1
3 46105 Прокладка 1
4 Счетчик моточасов СМЧ 130 1
5 16-72-5 Корпус 1
6 28481 Болт 1
7 Шайба 8Т 65Г 09 2
8 40989 Прокладка 1
9 71128 Корпус подшипника 1
10 33377 Пружина 1
11 46565СП Манжета 1
12 М8×25.58.019 1
13 16-72-105СП Валик 1
14 40999 Прокладка 1
15 71134 Фланец 1
16 40998 Прокладка 1
17 71132 Стекло циферблата 1
18 71133 Ободок 1
19 71124СП Крышка 1
20 38351 Пружина 1
21 Болт М8×16.58.019 2
22 32238 Штифт 1
23 05721 Отражатель 1
24 32255 Штифт 1
25 41242 Штуцер 1
26 16-72-107СП Трубка 1
Работомер